THLL331防爆型压力传感器采用扩散硅压力芯体作为敏感原件,内置处理电路将传感器毫伏信号转换为标准电压、电流信号输出,可直接与计算机、控制仪表、显示仪表等相连。可进行远距离信号输出。采用一体化全不锈钢结构,经过多次不锈钢焊接,满足防爆设计要求,在恶劣环境中可长期使用。产品安装方便,具有极高的抗振性和抗冲击性。在石油、化工、电力、水文、地质、船舶等行业的易燃、易爆的场合中有广泛的应用。
产品描述
THLL331防爆型压力传感器采用扩散硅压力芯体作为敏感原件,内置处理电路将传感器毫伏信号转换为标准电压、电流信号输出,可直接与计算机、控制仪表、显示仪表等相连。可进行远距离信号输出。采用一体化全不锈钢结构,经过多次不锈钢焊接,满足防爆设计要求,在恶劣环境中可长期使用。产品安装方便,具有极高的抗振性和抗冲击性。在石油、化工、电力、水文、地质、船舶等行业的易燃、易爆的场合中有广泛的应用。
产品参数
量程范围:-100~20KPa~250MPa(量程内可选)
压力类型:表压(默认)、绝压、差压
输出信号:4-20mA、0-5V、0-10V
供电电源:12~24VDC
精度等级:±0.5%FS(默认)、±0.2%FS
压力过载:10MPa以下2倍;25MPa以上1.5倍
机械振动:20G(20-5000HZ)
介质兼容:与316L不锈钢兼容的各种流体介质
绝缘:100MΩ/250VDC
温度补偿:-10~70℃
工作温度:-10~80℃
零点温度漂移:±0.5%FS(MAX)
灵敏度温度漂移:±0.5%FS(MAX)
采样时间:20次/秒
长期稳定性:≤0.2%FS/年
防护等级:IP65
防爆等级:本安防爆Exia Ⅱ CT6 或者 Exd II CT6
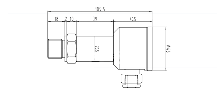
安装螺纹M20X1.5(可定制)
电气连接:赫斯曼接头、直接引线、航空插头、M12工业插件

联系人:office
手 机:0913-8563896 / 15877552632
邮 箱:office@taiholl.com
公 司:陕西泰汇尔仪器制造有限公司
地 址:陕西省渭南市大荔县许庄镇党家村4组